for those who believe that armed with a good guitar and a great amp they can conquer the world...

Servicing and repairing the APEX 450 Gold Diaphragm Tube Condenser Microphone

 

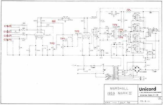
Here we will be examining the signal flow in a 1985 4 Input Marshall JCM 800 MKII Super Lead 100 guitar amplifier.

Before we can go any further, I must  post  the standard  disclaimer.
DO NOT TRY THIS AT HOME! THE INTERNAL CHASSIS OF THIS GUITAR AMPLIFIER CONTAINS POTENTIALLY DANGEROUS, LETHAL ACTUALLY, VOLTAGES!
Got it? DANGER Will Robinson DANGER!
If you're not familiar with high voltage electronics, specifically tube electronics, actually electron valve; please take your amplifier to a qualified technician. Ok, on with the show...

This is an interesting amp. Its a bit unusual for the time period as it is the old 1959 circuit, 4 input model, the final evolution of the original plexis, not a Master Volume or 2200 Channel Switcher. Equipped with 4 6550 output valves it has little trouble reaching 100 watt output. In fact, it goes from 0 to 100 faster than the finest Italian Sports Cars.


 

 

Copyright © 2008, deering valve amplification & SolarPress
Web Design by: Master of the Cosmos Publishing DBA SolarPress.net
this page updated: 15 Dec 2008 14:50